加入收藏 | 设为主页
 
YOTO油压缸
YOTO气缸
行业应用及定制油缸
非标设备 工装 电控
YOTO 配套传感器
电气元件
CHANTO
- CHANTO压床
- CHANTO夹持系统
- CHANTO辅助配件
- CHANTO气压缸
- CHANTO空压控制系统
- CHANTO三点组合
- 气动附件
 

电气机械产品联系:
薛兴生  13961731297

液压气动产品联系:
薛兴生  13961731297

 
 
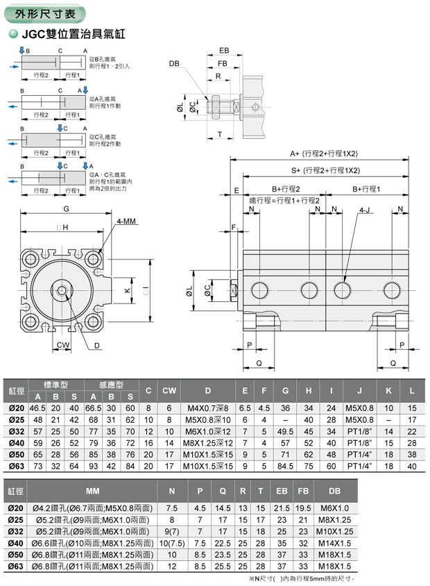
JGC 治具气缸-双位置单轴型
 
Type : JGC
 
 
 
 
档案下载
  Download
PDF Download
DWG Download
STEP Download



上一页:JG 治具气缸
下一页:JGD 倍力型治具气缸
    
 

Copyright © 无锡市友通自动化设备有限公司 All Rights Reserved.    www.wxyoto.com 
地址:无锡市梅村锡泰路229-1号 电话:0510-85362650 传真:0510-85366465 邮箱:xyf.auto@163.com

苏ICP备05047889号-1