加入收藏 | 设为主页
 
YOTO油压缸
YOTO气缸
行业应用及定制油缸
非标设备 工装 电控
YOTO 配套传感器
电气元件
CHANTO
- CHANTO压床
- CHANTO夹持系统
- CHANTO辅助配件
- CHANTO气压缸
- CHANTO空压控制系统
- CHANTO三点组合
- 气动附件
 

电气机械产品联系:
薛兴生  13961731297

液压气动产品联系:
薛兴生  13961731297

 
 
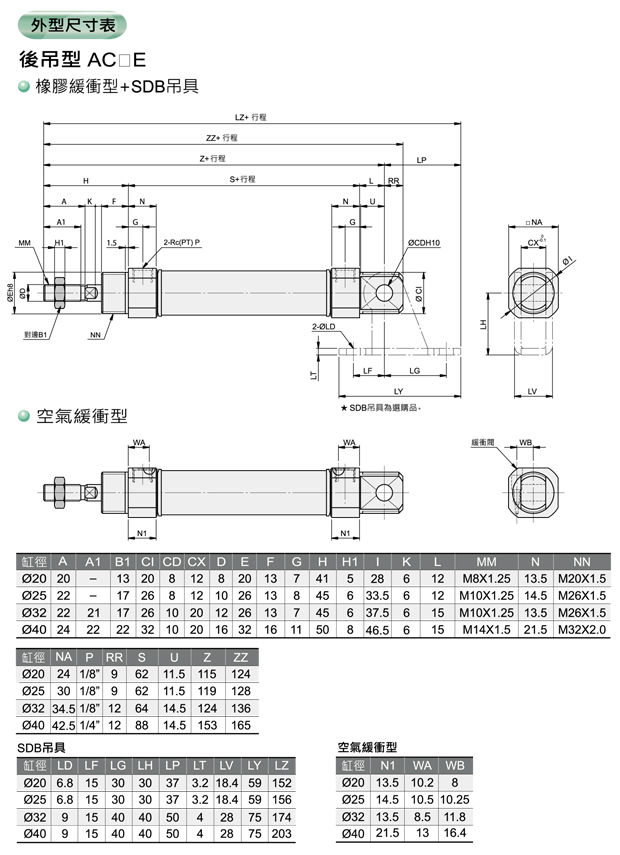
AC 迷你气缸
 
Type : AC
 
 
 
 
档案下载
  Download
PDF-1 Download
PDF-2 Download
DWG Download
STEP Download



















上一页:AB 笔型气缸
下一页:AF 迷你气缸-直接固定型
    
 
苏ICP备05047889号-1